一、中低压变频器
变频器主要由整流(交流变直流)、滤波、逆变(直流变交流)、制动单元。变频器靠内部IGBT的开断来调整输出电源的电压和频率,根据电机的实际需要来提供其所需要的电源电压,进而达到节能、调速的目的。
变频器主电路拓扑结构:

电压范围:
单相110VAC/220VAC
三相220VAC/380VAC/480VAC/690VAC
功率范围:3KW~500KW
IGBT部分
封装 | 拓扑 | 650V | 1200V | 1700V |
TO-247 | 单管\single | MG40H120TD1H1 | ||
MA_34mm | 半桥\half-bridge | MG75MA65BTS1 | MG50MA120BTS1 | MG100MA170BTH1 |
MG100MA65BTS1 | MG75MA120BTS1 | |||
MG150MA65BTS1 | MG100MA120BTS1 | |||
MG200MA65BTS1 | MG150MA120BTS1 | |||
MG50MA120BTH1 | ||||
MG75MA120BTH1 | ||||
MG100MA120BTH1 | ||||
MG150MA120BTH1 | ||||
MB_62mm | 半桥\half-bridge | MG300MB65BTS1 | MG200MB120BTS1 | MG200MB170BTH1 |
MG400MB65BTS1 | MG300MB120BTS1 | |||
MG400MB120BTS1 | ||||
MG300MB120BTH1 | ||||
MG400MB120BTH1 | ||||
MG450MB120BTH1 | ||||
MN-EconoDUAL™3 | 半桥\half-bridge | MG450MN120BTS1 | MG300MN170BTH1 | |
MG600MN120BTS1 | ||||
MG450MN120BTH1 | ||||
MC-Easy 1B | 7单元\PIM | MG15MC120XTH1_4 | ||
MC-Easy 2B | 7单元\PIM | MG40MK120XTH1_4 | ||
ME-EconoPIM™2 | 7单元\PIM | MG50ME120XTS1_4 | ||
MG40ME120XTH1_4 | ||||
MG50ME120XTH1_4 | ||||
MF-EconoPIM™3 | 7单元\PIM | MG50MF120XTS1_4 | ||
MG75MF120XTS1_4 | ||||
MG100MF120XTS1_4 | ||||
MG150MF120XTS1_4 | ||||
MG50MF120XTH1_4 | ||||
MG75MF120XTH1_4 | ||||
MG100MF120XTH1_4 | ||||
MG150MF120XTH1_4 | ||||
ME-EconoPACK2 | 三相全桥\3-Phases | MG50ME120FTS1_3 | ||
MF-EconoPACK3 | 三相全桥\3-Phases | MG75ME120FTS1_3 | MG100MF170BTH1 | |
MG50ME120FTH1_3 | ||||
MG75ME120FTH1_3 | ||||
MG75MF120FTS1_3 | ||||
MG100MF120FTS1_3 | ||||
MG150MF120FTS1_3 | ||||
MG200MF120FTS1_3 | ||||
MG75MF120FTH1_3 | ||||
MG100MF120FTH1_3 | ||||
MG150MF120FTH1_3 | ||||
MG200MF120FTH1_3 |
辅助电路部分:
名称 | 参数范围 |
整流桥 | 2A~35A,50V~1000V |
普通整流二极管 | 0.2A~10A,50V~5000V |
快恢复二极管 | 0.2A~6A,50V~5000V |
超快恢复二极管 | 1A~6A,50V~1000V |
功率二极管 | 7A~30A,20V~150V |
二、高压变频器
高压变频调速系统采用直接“高-高”变换形式,为单元串联多电平拓扑结构,主体结构由多组功率模块串联而成,从而由各组低压叠加而产生需要的高压输出,它对电网谐波污染小,输入功率因数高,不必采用输入谐波滤波器和功率因数补偿装置;输出波形质量好。

每个功率单元分别由输入变压器的一组副边供电,功率单元之间及变压器二次绕组之间相互绝缘,二次绕组采用星形折边接法,实现多重化,以达到降低输入谐波电流的目的。每个功率单元结构上完全一致,可以互换。
系统为基本的单相逆变电路,整流侧为二极管三相桥, IGBT逆变桥的控制方式为PWM控制,并且有自动单元旁路功能。

IGBT部分
封装 | 拓扑 | 1700V |
MA_34mm | 半桥\half-bridge | MG100MA170BTH1 |
MB_62mm | 半桥\half-bridge | MG200MB170BTH1 |
MG300MB170BTH1 | ||
MN-EconoDUAL™3 | 半桥\half-bridge | MG300MN170BTH1 |
MG450MN170BTH1 |
三、电能质量
随着科学技术和国民经济的不断发展,电力电子精密仪器的大量使用,对电能质量的要求越来越高。与此同时,现代电网的用电结构也发生了很大的变化,非线性负荷和冲击负荷的大量接入,使得电力能源受到的污染日益严重。导致用户电力设备故障或误操作的电压电流或频率的静态偏差和动态扰动。通过安装电力滤波器,阻止谐波源产生的谐波注入电网,或者阻止电力系统的谐波流人负载端。
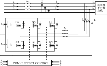
有源滤波器

SVG动态无功补偿

IGBT部分
封装 | 拓扑 | 1700V |
MA_34mm | 半桥\half-bridge | MG100MA170BTH1 |
MB_62mm | 半桥\half-bridge | MG200MB170BTH1 |
MG300MB170BTH1 | ||
MN-EconoDUAL™3 | 半桥\half-bridge | MG300MN170BTH1 |
MG450MN170BTH1 |
辅助电路部分:
名称 | 参数范围 |
整流桥 | 2A~35A,50V~1000V |
普通整流二极管 | 0.2A~10A,50V~5000V |
快恢复二极管 | 0.2A~6A,50V~5000V |
超快恢复二极管 | 1A~6A,50V~1000V |
功率二极管 | 7A~30A,20V~150V |




