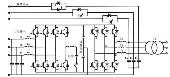
一、UPS
随着计算机的应用和信息处理的飞速发展,现今,通信、信息交换、自控、交通控制、计算机医疗系统及防空雷达等部门都信息化办公联网了,计算机的应用无处不在,要确保计算机运行,预防实时传输信号及控制信号不出现bag,确保运行可靠,对供电电力的品质及稳定的标准越来越苛刻。

IGBT部分:
封装 | 拓扑 | 650V | 1200V |
TO-247 | 单管\single | MG75H65TDH | MG25H120TDH |
MG30H135TDH | |||
MG40H120TDH | |||
MG40H120UDH | |||
MG40H120TD1H1 | |||
MA_34mm | 半桥\half-bridge | MG75MA65BTS1 | MG50MA120BTS1 |
MG100MA65BTS1 | MG75MA120BTS1 | ||
MG150MA65BTS1 | MG100MA120BTS1 | ||
MG200MA65BTS1 | MG150MA120BTS1 | ||
MG50MA120BTH1 | |||
MG75MA120BTH1 | |||
MG100MA120BTH1 | |||
MG150MA120BTH1 | |||
MB_62mm | 半桥\half-bridge | MG300MB65BTS1 | MG200MB120BTS1 |
MG400MB65BTS1 | MG300MB120BTS1 | ||
MG400MB120BTS1 | |||
MG300MB120BTH1 | |||
MG400MB120BTH1 | |||
MG450MB120BTH1 | |||
MN-EconoDUAL™3 | 半桥\half-bridge | MG450MN120BTS1 | |
MG600MN120BTS1 | |||
MG450MN120BTH1 | |||
MC-Easy 1B | 7单元\PIM | MG15MC120XTH1_4 | |
MC-Easy 2B | 7单元\PIM | MG40MK120XTH1_4 | |
ME-EconoPIM™2 | 7单元\PIM | MG50ME120XTS1_4 | |
MG40ME120XTH1_4 | |||
MG50ME120XTH1_4 | |||
MF-EconoPIM™3 | 7单元\PIM | MG50MF120XTS1_4 | |
MG75MF120XTS1_4 | |||
MG100MF120XTS1_4 | |||
MG150MF120XTS1_4 | |||
MG50MF120XTH1_4 | |||
MG75MF120XTH1_4 | |||
MG100MF120XTH1_4 | |||
MG150MF120XTH1_4 | |||
ME-EconoPACK2 | 三相全桥\3-Phases | MG50ME120FTS1_3 | |
MF-EconoPACK3 | 三相全桥\3-Phases | MG75ME120FTS1_3 | |
MG50ME120FTH1_3 | |||
MG75ME120FTH1_3 | |||
MG75MF120FTS1_3 | |||
MG100MF120FTS1_3 | |||
MG150MF120FTS1_3 | |||
MG200MF120FTS1_3 | |||
MG75MF120FTH1_3 | |||
MG100MF120FTH1_3 | |||
MG150MF120FTH1_3 | |||
MG200MF120FTH1_3 |
辅助电路部分:
名称 | 参数范围 |
整流桥 | 2A~35A,50V~1000V |
瞬态抑制二极管 | 400W~50KW,5.0V~550V |
普通整流二极管 | 0.2A~10A,50V~5000V |
快恢复二极管 | 0.2A~6A,50V~5000V |
超快恢复二极管 | 1A~6A,50V~1000V |
肖特基 | 0.25A~8A,20V~210V |
功率二极管 | 7A~30A,20V~150V |
稳压二极管 | 1.8V~200V |
小信号开关二极管 | 20V~75V |
二、特种电源
例如:岸电电源、变频电源、直流电源、测试电源。
岸电电源:是专门针对船上、岸边码头等高温、高湿、高腐蚀性、大负荷冲击等恶劣使用环境而特别设计制造的大功率变频电源设备。广泛应用于船上、船舶制造及修理厂、远洋钻井平台、岸边码头等需要由50Hz工业用电变为60Hz高质量稳频稳压电源,对船舶用电设备进行供电的场合。

IGBT部分:
封装 | 拓扑 | 650V | 1200V | 1700V |
MA_34mm | 半桥\half-bridge | MG75MA65BTS1 | MG50MA120BTS1 | MG100MA170BTH1 |
MG100MA65BTS1 | MG75MA120BTS1 | |||
MG150MA65BTS1 | MG100MA120BTS1 | |||
MG200MA65BTS1 | MG150MA120BTS1 | |||
MG50MA120BTH1 | ||||
MG75MA120BTH1 | ||||
MG100MA120BTH1 | ||||
MG150MA120BTH1 | ||||
MB_62mm | 半桥\half-bridge | MG300MB65BTS1 | MG200MB120BTS1 | MG200MB170BTH1 |
MG400MB65BTS1 | MG300MB120BTS1 | |||
MG400MB120BTS1 | ||||
MG300MB120BTH1 | ||||
MG400MB120BTH1 | ||||
MG450MB120BTH1 | ||||
MN-EconoDUAL™3 | 半桥\half-bridge | MG450MN120BTS1 | MG300MN170BTH1 | |
MG600MN120BTS1 | ||||
MG450MN120BTH1 | ||||
MC-Easy 1B | 7单元\PIM | MG15MC120XTH1_4 | ||
MC-Easy 2B | 7单元\PIM | MG40MK120XTH1_4 | ||
ME-EconoPIM™2 | 7单元\PIM | MG50ME120XTS1_4 | ||
MG40ME120XTH1_4 | ||||
MG50ME120XTH1_4 | ||||
MF-EconoPIM™3 | 7单元\PIM | MG50MF120XTS1_4 | ||
MG75MF120XTS1_4 | ||||
MG100MF120XTS1_4 | ||||
MG150MF120XTS1_4 | ||||
MG50MF120XTH1_4 | ||||
MG75MF120XTH1_4 | ||||
MG100MF120XTH1_4 | ||||
MG150MF120XTH1_4 | ||||
ME-EconoPACK2 | 三相全桥\3-Phases | MG50ME120FTS1_3 | ||
MF-EconoPACK3 | 三相全桥\3-Phases | MG75ME120FTS1_3 | MG100MF170BTH1 | |
MG50ME120FTH1_3 | ||||
MG75ME120FTH1_3 | ||||
MG75MF120FTS1_3 | ||||
MG100MF120FTS1_3 | ||||
MG150MF120FTS1_3 | ||||
MG200MF120FTS1_3 | ||||
MG75MF120FTH1_3 | ||||
MG100MF120FTH1_3 | ||||
MG150MF120FTH1_3 | ||||
MG200MF120FTH1_3 |
辅助电路部分:
名称 | 参数范围 |
整流桥 | 2A~35A,50V~1000V |
瞬态抑制二极管 | 400W~50KW,5.0V~550V |
普通整流二极管 | 0.2A~10A,50V~5000V |
快恢复二极管 | 0.2A~6A,50V~5000V |
超快恢复二极管 | 1A~6A,50V~1000V |
肖特基 | 0.25A~8A,20V~210V |
功率二极管 | 7A~30A,20V~150V |
稳压二极管 | 1.8V~200V |
小信号开关二极管 | 20V~75V |




