在能源和环保的压力下,新能源汽车无疑将成为未来汽车的发展方向。结合中国的能源资源状况和国际汽车技术的发展趋势,预计到2025年后,中国普通汽油车占乘用车的保有量将仅占50%左右,而先进柴油车、燃气汽车、生物燃料汽车等新能源汽车将迅猛发展。
美林电子第六代沟槽场终止技术:
l 低导通压降;
l 低开关损耗;
l 高一致性非常适合并联使用;
一、充电桩

维也纳拓扑:

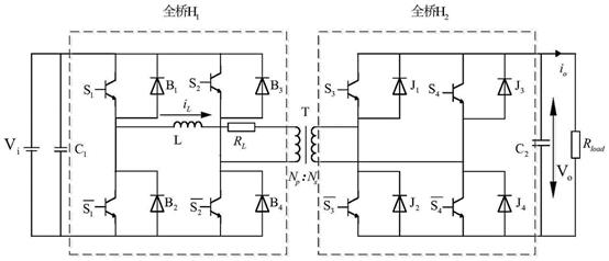
DC\DC隔离

IGBT产品
封装 | 拓扑 | 650V |
TO-247 | 单管\single | MG75H65TDH |
二、电机驱动

封装 | 拓扑 | 650V | 1200V | 1700V |
TO-247 | 单管\single | MG40H120TD1H1 | ||
MA_34mm | 半桥\half-bridge | MG75MA65BTS1 | MG50MA120BTS1 | MG100MA170BTH1 |
MG100MA65BTS1 | MG75MA120BTS1 | |||
MG150MA65BTS1 | MG100MA120BTS1 | |||
MG200MA65BTS1 | MG150MA120BTS1 | |||
MG50MA120BTH1 | ||||
MG75MA120BTH1 | ||||
MG100MA120BTH1 | ||||
MG150MA120BTH1 | ||||
MB_62mm | 半桥\half-bridge | MG300MB65BTS1 | MG200MB120BTS1 | MG200MB170BTH1 |
MG400MB65BTS1 | MG300MB120BTS1 | |||
MG400MB120BTS1 | ||||
MG300MB120BTH1 | ||||
MG400MB120BTH1 | ||||
MG450MB120BTH1 | ||||
MN-EconoDUAL™3 | 半桥\half-bridge | MG450MN120BTS1 | MG300MN170BTH1 | |
MG600MN120BTS1 | ||||
MG450MN120BTH1 | ||||
MC-Easy 1B | 7单元\PIM | MG15MC120XTH1_4 | ||
MC-Easy 2B | 7单元\PIM | MG40MK120XTH1_4 | ||
ME-EconoPACK2 | 三相全桥\3-Phases | MG50ME120FTS1_3 | ||
MF-EconoPACK3 | 三相全桥\3-Phases | MG75ME120FTS1_3 | MG100MF170BTH1 | |
MG50ME120FTH1_3 | ||||
MG75ME120FTH1_3 | ||||
MG75MF120FTS1_3 | ||||
MG100MF120FTS1_3 | ||||
MG150MF120FTS1_3 | ||||
MG200MF120FTS1_3 | ||||
MG75MF120FTH1_3 | ||||
MG100MF120FTH1_3 | ||||
MG150MF120FTH1_3 | ||||
MG200MF120FTH1_3 |
辅助电路部分:
名称 | 参数范围 |
整流桥 | 2A~35A,50V~1000V |
瞬态抑制二极管 | 400W~50KW,5.0V~550V |
快恢复二极管 | 0.2A~6A,50V~5000V |
超快恢复二极管 | 1A~6A,50V~1000V |
肖特基 | 0.25A~8A,20V~210V |
小信号开关二极管 | 20V~75V |




